Carbide Cutting tools
Carbide Solid Tools
Carbide Rotary Burrs
Carbide Mining Bit and Insert
Carbide Dies&Moulds
Carbide Wear Parts
Carbide Drill Button Bits
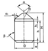
Type CZ-2
 

Tungsten carbide buttons and studs as CPM main products, which are widely used in mining, coal mining, oil & gas, engineering & construction and other fields. The company always adheres to the quality policy of "Quality First, Customer First, Keep Improving, Keeping Upright", and got quality management system certificate of ISO9001:2005. The company has scientific plant design and process layout, continuous process optimization and research and development, intelligent and efficient tiltable ball mill and spray drying system, high precision automatic TPA press machine and HIP sintering equipment, clean and dust-free, constant temperature, constant humidity working environment. The high-quality production environment and precise cemented carbide testing equipment ensure to provide customers with the best quality cemented carbide products.

 

Any interests, please contact us.

Type
Dimension
Note
D
H
h
h1
R
α
β
α1
e
CZ0912-2
9.5
12.0
8.0
1.7
/
121o
45o
20o
0.5
G7161
CZ1114-2
11.5
14.5
10.4
1.2
/
122o
21o30'
G7160
CZ1119-2
 
 
19.0
14.9
/
G7159
CZ1213-2
12.0
13.0
9.0
0.8
3.0
120o
20o
1.5
G7157
CZ1316-2
13.0
16.5
11.5
1.9
/
123o
21o
0.5
G7158
CZ1415-2
14.0
15.0
10.0
1.3
4.0
120o
20o
2.0
G7156
 
[back]
 
Copyright © 2011 China Powder Metallurgy Enterprise Ltd. All Rights Reserved.